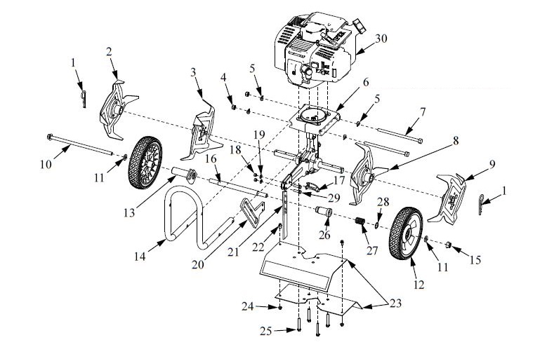
MC43 Cultivator Including Edger and Dethatcher - 29769

SERIES # 031649, MODEL YEAR 2018

Parts Catalog

View Documents

12/12/2018
MC43 2-Cycle Cultivator Combo; Series # 031649, Model Year 2018

Enter the quantity for each part you wish to purchase and press the "ADD TO CART" button.

Key No. Part No. Image Description Cost Availability Order Qty.